S.D. Misra, P.M. Gandhi & S.B. Bodke
Bhabha Atomic
Research Centre
Mumbai-400 085, India
S. Mittal
Narora Atomic Power Station
Narora-202
389, India
ABSTRACT
In nuclear power plants, primary heat transport (PHT), spent fuel storage bay (SFSB) and moderator circuits employ organic ion exchange resins in their purification systems for removal of impurities that accumulate in the streams during plant operation. These ion exchange resins, when exhausted, constitute a special category of radioactive waste owing to their organic nature and the high levels of radioactivity associated. Philosophy for their management has been evolved over a period of time. In the early stages, the resin management policy in India was storage in underground tanks or disposal of the IX column after dewatering. Near surface storage after cementation was also done occasionally. Studies on conditioning of the spent IX resin in a suitable matrix were also taken up alongside. After preliminary evaluation of different binding materials, a polyester styrene based organic matrix was selected for detailed investigation. Extensive laboratory studies resulted in development of a suitable waste form of acceptable characteristics. After full scale inactive demonstration trials carried out at BARC, spent resin fixation system as an industrial unit was considered for adoption at Waste Management Plant (WMP) at Narora Atomic Power Station (NAPS). The system has been fully established through inactive trials followed by hot commissioning of the facility. The scheme of treatment essentially involves hydraulic transfer of spent IX resin from the reactor hoppers into specially designed disposable drums, their vacuum dewatering in these drums and in-drum mixing with organic binders and additives followed by curing therein. Several full scale inactive and active blocks have been made and through these trials, all process parameters have been established. Two separate catalyst/accelerator systems suitable for polyester styrene resin have been finalized. While inactive waste form products were fully characterized for mechanical, chemical, thermal, radiation and bio-degradation properties, core drilled samples from active blocks were tested for compressive strength and leach resistance. The paper highlights the commissioning experiences of the spent IX resin fixation facility at NAPS. Waste form characteristics of products obtained during the above trials are also presented.
BACKGROUND
In a nuclear reactor, the coolant circuit gets contaminated with radioactive leakage due to its proximity to the fuel. Moderator circuit which is next in proximity also gets contaminated but to a less extent. Besides, certain inactive chemicals used during reactor operation also contaminate the two streams. For the efficient operation of the reactor, it is important to keep both chemical and radioactive contaminants in the coolant and moderator circuits under control. Organic ion-exchange resin columns are employed for this purpose which form part of the respective purification system. Similar purification systems are employed for SFSB circuit also.
The spent IX resins from these purification systems constitute a special category of solid waste of Intermediate level activity. In India, there are five nuclear power stations with 2 x 235 MWe reactors. At all these stations, spent resins are generated from the purification systems associated with PHT, SFSB & moderator circuits. These spent IX resins exhibit wide variation in their surface dose as also in the radionuclide content. Quantities and characteristics of these resins generated from a typical station of 2 x 235 MWe PHWR are given in Table I. As can be seen, the surface doses of spent IX resins from PHT/SFSB normally vary between 0.1 - 0.5 Sv/hr and the main radionuclides are fission products. In the case of spent resins from moderator circuit, the surface dose is comparatively lower, generally of the order of 10 mSv/hr, and the radionuclides present are mostly activation products. Average spent resin generation rates per annum are 2.6 cubic meter from PHT, 1.5 cubic meter from SFSB and 5.5 cubic meter from moderator circuits.
Table I Annual Generation & Characterizations of Spent Resins
for 2x235 Mwe PHWR Station

The management practices for spent IX resins at power station sites in India in the initial periods, consisted of storage in stainless steel lined underground tanks or disposal in carbon steel vessels into near surface disposal facilities after dewatering. Cementation of spent resins was also occasionally carried out. Management of spent IX resins by way of storage or fixation in ordinary portland cement (OPC) was far from satisfactory on account of resin degradation in course of time. Hence, with the objective of arriving at a waste form with good chemical & mechanical properties and high waste loading, a program was undertaken to develop a suitable conditioning method for the management of these resins. The processing technology should also be safe and simple, suited for plant scale adoption.
A treatment process considered and evaluated on lab scale and pilot plant scale was oxidative destruction. The process was found not satisfactory on account of large volume of secondary waste generation and complex process equipment involved.
Studies were concentrated on organic matrices for the conditioning of spent IX resin which included binders like bitumen, PVC, HDPE & polyesters. After preliminary laboratory evaluation, an isophthalic grade polyester resin was selected for detailed investigation. This matrix is widely used in chemical industry as a protective coating for tanks, pipes etc. The polymerization reaction is initiated with a catalyst/ accelerator combination of methyl ethyl ketone peroxide (MEKP)/cobalt octoate (Cobalt). Detailed laboratory studies culminated in the choice of a process for obtaining a satisfactory waste form, capable of incorporating spent IX resin up to 55 wt%. Table II gives characteristics of polymerized products from laboratory studies.
Table II Characteristics of Polymerised Product from Laboratory
Studies
The process was tried on pilot & engineering scale at BARC with the objective of standardizing operational parameters and evaluating remotisation requirements. After evaluation of the waste form obtained in the above studies and establishing feasibility of the process on engineering scale, it was decided to adopt resin fixation system as an alternative to direct storage/disposal of spent resins. The first resin fixation system was included in the Waste Management Plant (WMP) at Narora Atomic Power Station (NAPS).
PROCESS
The polymerization process selected is based on an isophthalic grade polyester styrene resin with a suitable catalyst/accelerator system. A product acceptance criteria has been worked out taking into consideration site specific geo-hydraulic parameters of NAPS area which is given in Table-III.
Table III Acceptance Criteria at NAPS for Polymerised Product

The process of immobilization, which essentially involves mixing of ion-exchangers and chemicals, is carried out in a specially designed standard 200 L. drum, which also acts as the disposal container. Spent resins transferred hydraulically are collected in the drum and it is then subjected to vacuum dewatering. The spent resin after dewatering is expected to contain less than 65% water. A batch of resin weighs around 80 Kg and requires an equal eafter to form a monolith. Visual inspection, temperature measurement and penetration test etc. are employed to monitor satisfactory progress of the process and quality of final product.
THE LAYOUT
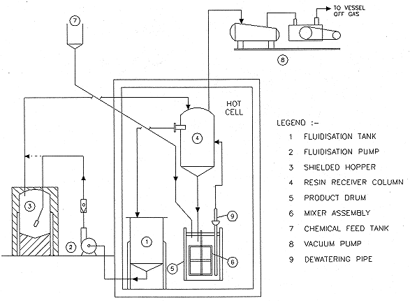
The plant layout is given in Fig.1. It has been worked out keeping in view segregation of active & inactive areas, man & material movement and remotised maintenance requirement. It consists of a hot cell, an access cell and services & operation galleries. Cells are in the high bay area of WMP. The hot cell has internal dimensions of 5m x 4m x 9m and has a port of 2m x 2m below ground for product removal. The cell is designed to handle radiation levels up to 10 Sv/hr and is equipped with remotisation gadgets like MSM, in-cell crane & shielding window. All active equipment like spent resin receiver column, fluidisation tank, drum handling trolley, etc. are housed here. The access cell is adjacent to the hot cell and is meant for handling shielded resin hoppers and their hook up to the main system. A 20 Te EOT crane and a 10 Te motorised trolley are provided in the hot cell bay. The services gallery, provided on top of the cells, also houses the chemical feeding system. Various controls and manipulators are located in the operating gallery which is provided around the cell at ground floor level.

Fig. 1.Layout of resin
fixation system.
PLANT COMMISSIONING
A step of air drying of resin in the resin receiver column was included in the original scheme. Initial trial runs revealed that smooth draining of dried resin from the receiver column was often impeded in spite of the magnetic vibrators provided. This is probably due to the low flow air drying system employed for the deep packed resin bed which resulted in surface moist resins. Prolonged drying with reversal of air flow could solve this problem, but such a measure was considered unacceptable for routine active operation. Draining of wet resin under hydraulic head was tried which operated very smoothly. Draining of IX resin in slurry form was therefore adopted for transfer of resin from the resin receiver column to the product drum. Pre- treatment of the IX resins by in-drum air drying was found difficult for adoption as a back fit. As an alternative, in- drum vacuum dewatering of IX resins was tried out and found to be quite feasible. Vacuum dewatering trials showed that a residual moisture of 5 to 10% remained with the resin as surface water in addition to the inherent bead water of about 50%. Polymerisation studies were conducted with resins having various degrees of surface water on lab scale and it was found that moisture up to 15% as surface water could be tolerated with marginal adjustments in proportion of chemicals. It was also noticed that the quality of the product was not affected by presence of surface water in the IX resin. In fact, it helped to some extent, in slowing down the reaction rate and limiting the peak exotherm. The in-drum vacuum dewatering system, with a single resin trap in a standard flat bottom drum, was modified into an inverted dished bottom with an extended ring header to avoid free water retention after the vacuum in broken. The operational flow sheet currentlyadopted incorporating vacuum dewatering of spent resin is given in Fig.2.

Fig. 2. Operational
flow sheet of resin fixation system.
After dewatering of IX resin is completed, pre-accelerated polyester styrene resin in the required proportion is fed into the drum and homogenised with the aid of the in-drum mixer. Subsequently catalyst in the required proportion is added slowly with continuous mixing until the onset of gelling. Provision exists for withdrawal of the mixer assembly before hardening of the product. In-drum curing takes place inside the cell before removal of the product drum through the port provided below ground level.
During inactive trial runs of the resin fixation system, 13 inactive full scale blocks were made. The operation was smooth and all the systems performed satisfactorily. In the first seven trials, operating parameters and proportions of chemicals were varied for arriving at optimised processing conditions. In a few cases the impeller of the mixer was removed to study the effect. Removal of the impeller before hardening of the mass helped in avoiding formation of deep cracks in the block which were seen at points of contact of the impeller when left inside the hardening mass. Additional five blocks were made with the optimised parameters and one of the blocks was characterised in detail. Minor hairline cracks with depth up to 5mm were noticed on the surface. Computer aided analysis showed that surface area increase on account of this was limited to 30% of that of the full scale block. Table IV summarises characterisation studies on this full scale block.
Table IV Studies on Inactive Full Scale Polymerised Blocks of NAPS

On successful culmination of inactive trials, hot trials were initiated after obtaining approval of the regulatory authorities. The trials were done with spent resins from hoppers prematurely taken out to keep radiation levels low. Polymerisation of moderator resins is not normally warranted on account of short half lives of radio nuclides and low level of activity involved. However, for the present trials, these resins were also included. Accordingly one hopper each from moderator and SFSB systems and 3 hoppers from PHT system were taken up for active polymerisation trials. In the case of blocks made with moderator and SFSB resins, it was observed that gelling started in due time with major portion getting cured. But the top 25mm layer remained uncured for unduly long period. Since polymersiation of polyester resins is sensitive to the chemical nature of the filler material, it was decided to analyse the resin for presence of any inhibiting chemicals. The reasons for delay in curing in the case of moderator resin was traced to presence of borate. These resins containing borate when pretreated with Calcium hydroxide was found to cure in reasonable time.
As an alternative, marginally increased dosing of catalyst/accelerator was also tried on lab scale and it was found to be effective. This method was considered preferable to a stepof pre-treatment in the active cell. Core drilled samples of full scale blocks were drawn after the curing has been completed. These have been tested for compressive strength and leach resistance and were found to meet the acceptance criteria.
Before further active trials on plant scale was taken up, a review was done of the polymersiation process in the light of the above operational experience. An alternative system of catalyst/accelerator viz. benzyl peroxide (BPO)/di-methyl aniline (DMA) , which is known to be more suitable in making large monoliths, was included in the scheme of study. The trials with resins from three PHT hoppers and one more hopper each of moderator and SFSB were done after splitting the contents of each hopper into two unequal parts and polymerising them separately. The objective of this was to compare the solidified waste form from one batch of spent resin prepared with varied chemical formulations and also to study the size effect on the exotherm druing curing. From each of the hoppers, one block with MEKP/Cobalt and another block with BPO/DMA were made. In the trials in which MEKP and cobalt were employed, the percentage of both the chemicals was varied from V/W 2-6 with respect to polyester resin. In trials in which BPO/DMA were employed, their percentages were varied from 2-1 W/W and 2-0.1 V/W respectively with respect to polyester resin. The actual sizes of the blocks realised in the above trials varied between 25-75% of the normal full scale size. All the blocks gelled and cured satisfactorily in less than an hour and good & hard monoliths were obtained. However, when 2% W/W BOP and 2% V/W DMA were employed high exotherm was observed. Similarly when 6% V/W of MEKP and 6% V/W of cobalt were employed also the exotherm was considerably high. In all other cases the peak exotherm was moderate.
The operational experience in the above cases can be summarised as follows. All the blocks are generally good. In two cases, the rate of curing was some what fast and hence the impeller could not be removed. Blocks with BPO/DMA system exhibited less cracks in comparison to those with MEKP/ Cobalt system. The recommended dosings of chemicals in the two systems with respect to weight of the polyester resin are as follows :
MEKP (50% solution) 3 V% ; Cobalt (2% solution) 2 V%
BPO(100% pure solid) 0.5 W% ; DMA(100% pure liquid) 0.075 V%.
Since the above six trials were not full scale (200L) in the real sense, further 5 trials were carried out on full scale according to the above parameters. Use of pre-accelerated/ pre-catalised polymer were also tried and the operation was fully successful. This method, besides avoiding multiple handling of the chemicals, helps ensure reliability of mixing and reduce in-cell active operation. During these trials the reproducibility aspect has also been established.
CONCLUSION
Immobilisation of IX resins by fixation in polymer has been established with the commissioning of resin fixation system at Narora. This facility is expected to go into routine operation shortly. A resin fixation facility along the above lines is being set up at TAPS as a back fit.