James A. Batdorf, Ray Geimer, and Joy M. Wilson
Science
Applications International Corporation
545 Shoup Ave.
Idaho Falls, ID
83402
ABSTRACT
SAIC's Plasma Hearth Process (PHP) is a high-temperature melter specifically designed for the treatment of low-level and transuranic mixed wastes (wastes that contains both radionuclides and chemically hazardous compounds). The design is focused on treatment of whole drums, high integrity containment of radionuclides, complete destruction of hazardous organic compounds, and state-of-the-art offgas treatment. The PHP can treat a range of wastes such as metals, soils, non-combustible inorganic sludges, combustible organic sludges, paper, plastic, rubber, and mixtures of these materials. Over the past several years, SAIC has completed numerous tests on both a 120 kW and a 1,200 kW system using a variety of surrogate waste materials. During 1995 and 1996, the Department of Energy Office of Science and Technology funded SAIC and Retech (A Division of M4 Environmental Technologies) to design and construct a full-scale (1,200 kW) PHP pilot plant.
The PHP pilot plant is designed to process whole 55-gallon drums of surrogate waste materials at a rate of 500 kg/hr. Waste drums are placed in an air lock and transferred into the feed chamber. The waste drums are then slowly pushed into the plasma chamber and drip melted into a static hearth. In the plasma chamber, a transferred arc plasma torch (operating on nitrogen at 1,200 kW) melts the waste metals, metal oxides, and metal drums, and volatilizes, pyrolizes, and partially oxidizes the organic materials. The molten metals form a layer in the bottom of the hearth and the metal oxides form a molten layer of slag on top of the metal. Feeding is interrupted and the hearth is tilted on an intermittent basis to remove the molten metal and slag. The gases released from the volatilization of the organic waste are transported into a secondary chamber and fully oxidized with excess air at 1800°F. After exiting the secondary chamber, the gases are treated in an air pollution control system to remove course particulate, fine particulate, and acid gases.
The system startup and initial testing proved the operability of the feed system, the slag removal system, the automatic process control system, and the air pollution control system. Several tests demonstrated the continuous processing ability of the PHP system. In these tests a 55-gallon drum was processed, slag was poured, and then the process was repeated. Plasma torch operation during a single test was limited to 10 hours. The stack emissions indicated excellent combustion quality with carbon monoxide levels below 5 ppmv. As expected, the nitrogen oxide levels were high (600 to 2,000 ppmv) but were within regulatory limits. Some tests indicated the possibility of reducing these emissions to less than 200 ppmv. Particulate carryover from the primary chamber was lower than observed with the development system. This indicates that the gas flow circulation in the primary chamber was successfully improved. Particulate measurements at the stack were within regulatory limits, but inconsistent and will require additional monitoring. This paper describes the PHP process, the pilot plant design, and the results of the process startup and initial testing.
INTRODUCTION
The Plasma Hearth Process (PHP) is a high temperature vitrification technology with the potential to treat a wide range of wastes. Because of its versatility, this technology is recognized as one of the more promising solutions to the Department of Energy's (DOE's) mixed waste treatment needs. The PHP technology is applicable to the treatment of a wide range of waste types being generated and stored throughout the DOE complex, including sites such as the Idaho National Engineering Laboratory (INEL), the Savannah River Laboratory (SRL), the Hanford Reservation, and the Oak Ridge Reservation.
The ultimate goal of this project is to prove the feasibility of the PHP technology for treating actual DOE mixed waste. In order to prove this feasibility it is necessary to demonstrate that the technology is both functional and cost effective. Functionality covers such aspects as the ability to process various DOE waste materials, control radionuclides, and meet expected environmental regulations (primarily air emissions and final waste form properties). Cost effectiveness is specific to a given project but requires a comprehensive understanding of the capital costs, operation and maintenance costs, and production rate. In order to study these various issues, three PHP systems have been constructed. One system, the primary subject of this paper, is a full-scale nonradioactive pilot plant PHP system. The other two units are both bench-scale systems. One system has been designed for studying radionuclide partitioning and the other for supporting a wide range of nonradioactive testing. The former unit is referred to as the radioactive bench-scale (RBS) PHP system and the latter unit is referred to as the STAR Center PHP system.
This document describes the pilot plant project objectives, the PHP system, the results of the operability testing, air pollution control system (APCS) performance testing, the environmental performance during startup testing, and the plans for future testing.
OBJECTIVES
The goal of the PHP pilot plant project is to advance the development of the PHP technology from batch operation to continuous operation under "production-like" conditions and to measure the system performance under these conditions. In order to achieve this goal, the following five activities are being pursued:
The startup testing of the pilot plant consisted primarily of the first activity - demonstrating the performance of the pilot plant engineering concepts. The objectives for the startup were to demonstrate the basic functional operation of the plasma torch and PHP melter system; evaluate the functionality of the feed system, melter system, slag removal system, and air pollution control system; and to measure the stack emissions of carbon monoxide (CO), nitrogen oxides (NOx), and particulate.
SYSTEM DESCRIPTION
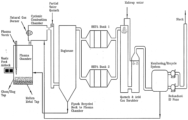
The PHP pilot plant melter system consists of a waste feed system, plasma chamber, plasma torch and mount assembly, hearth, hearth spool section, melt collection chamber, and secondary chamber. Figure 1 presents a flow sheet of the process which is described in detail in the following paragraphs.
The feed chamber is designed to hold up to three (3) 55-gallon drums of waste materials. The drums are loaded horizontally into an air lock, transferred into the feeder, and pushed axially towards the plasma chamber where they are processed in a slow, controlled manner. The plasma chamber is the section of the melter assembly where the feed system, torch system, and hearth section converge. The plasma chamber is defined as that section of the melter from the top of the hearth upward to its sealed lid. The plasma torch assembly penetrates the lid and is oriented downward toward the hearth section. The plasma chamber is water cooled to provide safe external temperatures and to limit the thermal expansion of the chamber walls such that positive seals and sub-atmospheric pressures can be maintained.
The plasma torch used in the pilot-scale unit is a Retech model RP-600T transferred arc torch with a nominal power output of 1.2MW. The torch is water cooled and utilizes nitrogen as the primary plasma gas. Helium and argon are used in combination with nitrogen for torch startup and optimization. During normal operation, the torch arc is transferred from the torch electrode to the molten bath, where the current travels through the molten pool to a ground potential termination integrated into the hearth. As the plasma torch melts the drum contents, the hearth collects the molten material and contains it to allow further plasma processing. The hearth is completely contained within the hearth spool section. The design of the hearth is such that removal of the molten slag is accomplished by tilting the entire hearth one direction to remove the slag, and the opposite direction to pour the metal.

Fig. 1. Process flow sheet for the
Plasma Hearth Process.
The melt collection chamber is a sealed rectangular chamber located directly below the hearth spool section. During operation, two separate collection vessels are positioned in the melt collection chamber. These vessels are set within removable, water-cooled steel shells to remove heat from the molten materials.
The secondary chamber is a cylindrical, refractory lined chamber with one end plate fitted with a 1.44MMBtu/hr natural gas burner. The chamber is designed for a gas residence of 2 seconds at a gas flow rate of 2,400 scfm. Process offgas from the primary chamber and combustion air are introduced tangentially into the secondary chamber near the burner end. Excess air is utilized to ensure complete destruction of organic compounds in the offgas providing a destruction removal efficiency (DRE) greater than 99.99%.
The temperature of the offgas leaving the secondary chamber is reduced from 1800°F to 400°F in an evaporative cooler. The evaporative cooler injects a water spray concurrently with the flow of hot offgas. Rapidly cooling the offgas reduces the formation of dioxins and furans by minimizing the offgas residence time in the optimum temperature range for their formation and protects downstream filtration equipment. The baghouse system consists of two high temperature fabric-filter, pulsed-jet baghouses. The baghouses are designed to remove all particulate greater than 2µm and greater than 97% of all particulates larger than 0.5µm. The baghouse filters are pulse-cleaned when the pressure drop across a baghouse exceeds five inches w.c. Immediately following the baghouses is a two stage HEAP filter. The first filtration stage consists of a prefilter, and the second stage a HEAP filter. The prefilter removes intermediate particulate and protects the HEAP filter. The high temperature HEAP filter has a rated collection efficiency of 99.97% for particulates 0.3 µm and larger. Following the HEAP filter bank is an integrated wet scrubber consisting of a quencher and a packed bed scrubber, both utilizing a caustic scrub liquor. The quencher is designed to saturate the offgas in preparation for acid gas absorption in the packed bed scrubber. After exiting the quencher, the saturated gases enter the packed bed scrubber. This scrubber contains randomly packed internals for enhanced mass transfer during countercurrent flow of the gases and scrubber liquor. The liquor is distributed over the top of the bed using a spray nozzle system. A mist eliminator is located after the packed-bed region to remove any entrained liquor droplets or mists from the offgas stream. Scrubber blowdown is produced when the conductivity in the scrubber liquor exceeds the acceptable level. An offgas reheater is placed before the induced draft induced draft (ID) fan to raise the saturated offgas above its dewpoint. This is to ensure that no water droplets enter or form in the fan, to eliminate any corrosion problems associated with condensation in the ducting and stack, and to avoid exceeding opacity limits at the stack. Finally, the ID fan draws the offgas through the system and maintains a vacuum within the entire process.
The continuous emission monitors (CEMs) used for all NPS tests consisted of a sampling system and meters for CO, CO2, O2, and NOx at the stack. These are used in conjunction with a sampling system and meters for CO, NOx, and O2 at the exit of the secondary chamber. Prior to testing, all CEMs were calibrated according to manufacturers specifications.
The control console for the PHP is a remotely located control center housing the main PLC interface, the personal computer based torch patterning system, the data acquisition system (DAS), and four video monitors. The video monitors are key components for the safe and efficient operation of the PHP. The cameras are positioned to provide views of the feeder, the slag pour spout, the metal pour spout, and the melt pool. Two additional cameras are positioned to view across the melt pool and to view the feed region.
The pilot-scale PHP utilizes a centralized computer control system and has few local controllers. The main computer handling the majority of the control activities is an Allen Bradley PLC-5. The PLC handles all of the control functions except those specifically related to the torch control and patterning system, which is handled by a dedicated personal computer.
TEST OPERATIONS
The test operations were designed to carefully extend the operating envelope of the system in a logical progression of increasing complexity. The first group of tests (Series A) processed drums containing broken glass, soil, and metal. The second group of tests (Series B) processed similar drums with increasing amounts of combustible material (mostly wood). The third group of tests (Series C) processed drums containing soil, metal, and various amounts of PVC plastic.
The same general testing procedure was used for all tests on the PHP pilot plant system. First, the system is preheated using natural gas burners that fire into the primary and secondary chambers. After approximately 12 hours of heating with the burners, the primary chamber burner is turned off and the plasma torch is started. The plasma torch is operated at a moderate power level to melt metal precharged to the hearth. The torch is cycled through a series of circular patterns until a fully molten pool is established. This requires two to five hours depending on the initial starting conditions of the primary chamber. At this point the primary chamber will have reached its minimum operating temperature of 1500°F, and the secondary chamber will have reached its minimum operating temperature of 1800°F. After the preheat is completed and the system has reached the minimum operating temperatures, drum feeding is initiated.
The following three sections present the results of the testing. The results are presented by classes of objectives - those pertaining to system operability, APCS performance, and environmental performance.
SYSTEM OPERABILITY
There were several test objectives specified for determining system operability. These included demonstrating continuous feeding of drums, continuous processing, operability of the slag and metal removal system, and implementation of automatic process control. The following sections present the results of the testing relative to these objectives.
Continuous Feeding of Drums
Initially several problems were encountered with the drum feed system. A non-standard 55-gallon drum, slightly taller and tapered, jammed in the feeder during the second test. This taper caused the feed drum to rotate ~90° and caused the push plate to shear from the ram rod, plugging the feed chamber. The use of these non-standard drums was discontinued. It was also found that the retaining ring (chime) that clamps the lid to the drum also interfered with the feeding mechanism. This ring was removed and the drum lids were tack welded in place until the feeder could be modified. With these restrictions, drums were routinely fed to the Pilot-Scale PHP system. The drums were fed at rates varying from 0.5 inches per minute to several inches per second.
After these tests, the feeder was modified by welding an additional steel guide plate into the feeder. This allowed the use of standard 55-gallon steel drums with the retaining ring in place. Following these modifications, drums with rings were routinely fed and processed in the PHP system. Continuous feeding of standard 55-gallon drums was demonstrated and an adjustable, controlled feed rate was also demonstrated. These modifications should also allow the use of non-standard, tapered drums, however this has not been tested.
Continuous Processing
Several tests demonstrated the continuous processing ability of the PHP system. Test B-3 was the first test to demonstrate processing of a 55-gallon feed drum, followed by slag pouring, followed by resumed processing of feed materials. Test B-6 provided a good demonstration of continuous processing. In this test, after preheating the system, a 55-gallon drum was processed, the slag poured, and a second 55-gallon drum processed. The slag produced from processing the second drum was poured, followed by a controlled shutdown. Test B-8 provided another demonstration of continuous processing. In this test, a 55-gallon drum was processed, followed by slag pouring. Two more 55-gallon drums were processed and poured. This was followed by processing two more 55-gallon drums and pouring for a third time. The test ended with a controlled shut down. Thus, the ability to intermittently pour slag while continuing operation was demonstrated.
Slag Removal System
Several tests demonstrated the functionality of the slag removal system. The system was partially demonstrated in tests B-3, B-4, and B-5. During these tests, the hearth was tilted and slag was poured into the slag collection vessel. The system was fully demonstrated during B-6. During this test, the hearth was lowered and tilted and slag was poured into the slag collection vessel. After one hour of cooling, the filled slag collection vessel was removed and replaced with an empty container. A 55-gallon drum of material was processed during the slag cooling period. Slag from processing this drum was poured into a second slag collection vessel.
Metal Removal System
After tests B-1 and B-2, it was apparent that a very long run would be required for the hearth to achieve a steady operating temperature. Without this, it was unlikely that metal pouring would be possible. The tests discussed in this report had torch operating times of 2.3 to 10.6 hours. Since the other test objectives had much higher priority it was decided to postpone testing the metal pouring system until it was possible to run for longer time periods (a minimum of 12 hours of torch time).
Automatic Process Control
The Programmable Logic Controller (PLC) was used to provide automatic control of three process variables. The controlled variables were the EC exit temperature, the PC pressure, and the SC exit oxygen concentration. The corresponding manipulated variables were the EC water flow rate, the offgas pressure control damper, and the SC combustion air flow rate. Each of the three process variables was controlled by using a separate proportional-integral-derivative (PID) control loop within the PLC. Each of the three control loops was a simple, independent, feedback control loop with one controlled variable and one manipulated variable.
APCS EQUIPMENT PERFORMANCE
There were several objectives specified for determining the APCS performance. These included operability of the secondary combustion chamber, evaporative cooler, baghouse filter, HEAP filter, packed-bed scrubber, offgas reheater, and induced draft fan. The following sections present the results of the testing relative to these objectives.
Secondary Combustion Chamber Operability
Combustion efficiency provides a simple, quantitative measure of the performance of the secondary combustion chamber. The average combustion efficiency for the APCS performance test was >99.999%, showing excellent combustion throughout the NPS process. This was due to the exceptionally low carbon monoxide levels; the carbon monoxide levels were essentially constant at 5 ppmv (corrected to 7% oxygen) throughout the tests. This compares to a regulatory limit of 100ppm.
Evaporative Cooler Operability
The evaporative cooler operated within the design specifications, however two problems were encountered. First, the available plant water pressure of 70 psig was less than the design pressure of 100 psig. This resulted in less atomization, larger droplets, and incomplete evaporation during some portions of startup and operation. Second, the water flow control valve operation was impaired by dirt and particulate in the water. These problems were corrected after completion of the startup testing.
Baghouse Filter Operability
The baghouse filter operated in an efficient manner as per the manufacturers specifications. At the beginning of each test series the pressure drop across the filters was very small (<0.5 inches of water column) and increased very slowly throughout each test series. The maximum observed pressure drop across the baghouse filters was 3 inches of water column.
HEAP Filter Operability
Throughout all phases of testing the HEAP filter operated in an efficient manner as per the manufacturers specifications. During test operations a small pressure drop was observed across the pre-filters and across the HEAP filters. This pressure drop did not significantly change during the course of testing. The pressure drop across the pre-filters was less than 0.3 inches water column and the pressure drop across the HEAP filters was less than 0.5 inches water column.
Packed-Bed Scrubber Operability
The packed bed scrubber operated as designed. The scrubber operated without channeling or flooding. The pH control is maintained by an automatic feedback control that turns on the caustic supply pump for 10 seconds and then waits 20 seconds for the pH meter to stabilize. The scrubber liquor conductivity is maintained below 10% of saturation to prevent salt formation in the quench section.
Offgas Reheater Operability
The offgas reheater operated in an efficient manner as per the manufacturers specifications. During testing the reheater routinely provided an increase in offgas temperature of up to 40°F.
Induced Draft Fan Operability
The induced draft fan operated per the design specifications and provided 8 inches water column vacuum in the primary chamber during high flow conditions.
ENVIRONMENTAL PERFORMANCE
There were several objectives specified for determining the environmental performance. These included measuring particulate carryover, acid gas removal, and stack emissions of CO, NOx, and particulate. These measurements were made by a certified sampling subcontractor according to EPA approved methods. The stack gas emissions were also monitored by onsite equipment. The following sections present the results of the testing relative to these objectives.
Flyash Mass
The total flyash collected in the baghouse provides a good estimate of the particulate carryover from the treatment process. The total flyash collected during the test Series A and Series B was less than 1% of the total quantity of material fed. This is significantly lower than the quantities observed in the previous tests. Tests conducted on the PHP Demonstration Unit typically produced two to four kilograms of flyash for every 100 kilograms of feed material. Surprisingly, this generation rate appeared to be insensitive to the feed material composition. Testing on the pilot plant system has not been sufficient to determine the rate of flyash generation from different feed materials. However, the significantly lower overall generation rate indicates that the design changes to improve gas flow dynamics in the primary chamber were successful in reducing particulate entrainment.
Prior to Test Series C, all cells in the two chambers of the baghouses went through a manual cleaning cycle. This was repeated after the conclusion of testing. Approximately 9 kgs of flyash was collected during these tests. Particulate samples were collected using EPA Method 5 sampling trains upstream of the baghouse. Based on the quantity of particulate observed and the offgas flow rate, the total particulate emissions from the process were estimated to be 4.5 kgs. Both sets of data correspond well to each other as the results from sampling did not include particulate emitted during heat-up of the NPS. The total quantity of material fed during these tests was 1300 kgs which also results in a carryover of less than 1%.
Particulate Capture
Particulate matter generated and captured during the melting of the feed drums for each of the tests was collected using EPA Method 5 and corrected for 7% O2. Table I presents a summary of the particulate, CO, and NOx stack emissions for Test Series C. As shown in the table, the emissions for the 8% PVC feed are two orders of magnitude higher than the emissions for the 16% PVC. The removal efficiency of the baghouse is 71% for the 8%PVC and 99.9% for the 16% PVC. The poor performance of the baghouse during the 8% PVC might be explained by the fact that it was forced through an extensive cleaning cycle prior to the start of the test. Optimum operation of the baghouse requires a developed layer of particulate and capture occurs within the particulate layer - rather than on the bags. It is possible that the cleaning cycle removed the necessary layer of particulate which did not redevelop again until part of the way into the 8% PVC test. This assumption is supported by the fact that the baghouse collection efficiency significantly exceeded design criteria for the 16% PVC test (after enough time for a new particulate layer to have been developed).
Table I Comparison Between Actual, Project Objectives, and
Regulatory Offgas Emission Levels

Data for particulate levels at other points in the system do not clarify the results. For the 8% PVC test the particulate leaving the HEAP filter was two order of magnitude lower than the particulate entering the HEAP filter. However, for the 16% PVC test the level of particulate exiting the HEAP filter were an order of magnitude higher than those entering the HEAP filter. The particulate level increased across the packed-bed scrubber for the 8% PVC test, but decreased for the 16% PVC. Given the inconsistencies within this data it is inappropriate to draw significant conclusions without further measurements.
Acid Gas Removal
Acid gas removal was measured by a certified sampling subcontractor using EPA approved methods. Table I presents a summary of emissions that were measured in the stack for the APCS tests. As expected, the packed bed scrubber provides the greatest capture of HCl with removal efficiencies of >99.8%. The less than signs (<), in the table, indicate that the measured value was below the detection limit of the instrumentation, therefore the removal efficiencies were at least this number. The scrubber demonstrated the ability to exceed the Federal requirement of 99% removal of HCl for hazardous waste incinerators. The average mass of HCl exiting the system in the exhaust stack for the 8% PVC test is less than 0.011 lb/hr and 0.012 lb/hr for the 16% PVC test. This is far less than the regulated quantity, <1.6 lb/hr of HCl emissions.
Scrubber Liquor TDS/TSS/Cl-
The scrubber liquor had three discrete samples taken prior to the start of testing and three taken at the completion. All samples collected were analyzed for total chloride using EPA SW-846 Method 9253, EPA Method 160.1 for total dissolved solids (TDS), and EPA Method 160.2 for total suspended solids (TSS).
As expected, the total chloride level in the PBS sump increased between the tests. The pre-test chloride level was determined to be an average of three samples of 58.33 mg/L with a standard deviation of 2.36. At the completion of testing this level had risen to 4,550 mg/L (s.d. = 70.7). This data, coupled with the exhaust gas emission levels of HCl, indicates that the packed bed scrubber is very efficient in the control and capture of the acid products of combustion when using halogenated compounds in the feed drums.
Stack Gas Emissions
The stack emissions data for all tests were obtained from a permanent onsite continuous emissions monitoring system (CEMS) which monitors the stack gas for CO, CO2, O2, and NOx and a separate system that monitors O2, CO, and NOx at the exit of the secondary chamber. In addition to the monitors on the PHP system, a sampling subcontractor provided EPA approved monitoring during Test Series C. The results of these measurements are shown in Table I. Plots of CO and NOX emissions for Test B-6 are shown in Fig. 2. The plots show that the CO level remained below 5ppmv, well below the regulatory limit of 100ppmv. Combined with an average CO2 level of 5.0%, the combustion efficiency was on the order of 99.999% (defined as [CO2 - CO]/CO2). The data collected for the 26% PVC followed closely that of the 8% PVC test, with average values of CO and CO2 of 4 ppmv and 5.4%, respectively.
The combustion efficiency is not to be confused with the Destruction and Removal Efficiency (DRE) used when determining the thermal destruction of a principal organic hazardous compound (POHC). The combustion efficiency only provides an indication of the ability to thermally destroy hazardous organic compounds. The combustion efficiency achieved demonstrates that the process is providing extremely high quality combustion.
Figure 2 shows that the NOx level for Test B-6 varied between 70 ppmv and 180 ppmv. These levels are very low for a plasma processing system. Significantly higher concentrations were observed in other tests. As shown in Table I, the average level of NOx in the offgas for the 8% PVC test was 1,964 ppmv. This NOx concentration, combined with an average flow rate of 850 dscfm, leads to an emission rate of 8.06 lb/hour, below the pilot plant regulatory limit of 18.4 lb/hr. The NOx emission rates, corrected to 7% O2, for the 16% and 26% PVC tests were 788 ppmv and 626 ppmv respectively. These NOx emissions levels are good, considering that the PHP is a high temperature process using nitrogen as the torch gas in the presence of air and without including any NOx abatement.
There are at least two factors that explain the reduction in NOx between the different sets of tests. The first is that the primary chamber combustion air was split 50/50 between the upper portion of the chamber and the lower feed/torch zone during the 8% PVC test. Prior to feeding the 16% and 26% PVC drums this combustion air split was changed to 75% entering the upper portion of the chamber and only 25% in the lower feed/torch zone. This resulted in a less oxygen in the hot plasma region to form the NOx. The second factor is that the increase in the quantity of hydrocarbons (from 8% PVC to 16% and 26%) resulted in a more reducing atmosphere - which prevented the formation of NOx.

Fig. 2. Stack emissions of carbon
monoxide and nitrogen oxide for Test B-6.
FUTURE TESTING PLANS
After completion of the startup tests, the PHP pilot plant system was shut down for maintenance, repairs, and system upgrades. The only major change to the melter system was to modify the feeder isolation door to improve sealing. The only major change to the APCS was to add a booster pump to the evaporative cooler water supply. The process control system, primarily the PLC operator interface software, was extensively modified to correct problems and deficiencies observed during startup testing. This operator interface is easily changed to accommodate system upgrades or operator preferences.
Beginning in April of 1997, the system will be restarted and several shakedown tests will be conducted to evaluate the operability of the modifications. After the restart, testing will proceed with several long tests - 100 hours of plasma torch operation per test. During these tests, data will be collected to evaluate plasma torch life, to complete a life cycle cost model, to measure process performance, to measure control and containment of radionuclides, and to measure the process environmental performance.