Joe T. Carter, Ken J. Rueter, Jeff W. Ray, and Ofia Hodoh
Westinghouse Savannah River Company, Aiken, SC 29808
ABSTRACT
The Savannah River Site's Defense Waste Processing Facility (DWPF) near Aiken, SC is the nation's first and world's largest vitrification facility. Following a ten year construction period and nearly 3 year non-radioactive test program, the DWPF began radioactive operations in March, 1996.
The results of the first 8 months of radioactive operations are presented. Topics include facility production from waste preparation batching to canister filling.
INTRODUCTION
In March 1996 the DWPF began the task of vitrifying into a durable borosilicate glass approximately 130 million liters of high-level radioactive waste. This waste which has been stored in carbon steel underground tanks is now being pretreated, melted into glass and poured into stainless steel canisters for eventual disposal in a geologic repository.
Prior to beginning radioactive operations the DWPF completed a Waste Qualification Run (WQR) of fifty-five canisters using various compositions of simulated waste. The extensive characterization of the glass and canistered waste form demonstrated that the DWPF can comply with the Department of Energy Office of Environmental Management's Waste Acceptance Product Specifications (WAPS). (1,2,3)
The DWPF facility has now transitioned from simulated waste to radioactive waste processing a total of eleven feed pretreatment cycles resulting in production of seventy-eight canistered waste forms. Characterization of the canistered waste form in accordance with the program described in the Waste Qualification Report has continued to demonstrate compliance with the WAPS.
As with any complex technical facility, difficulties were encountered during the transition to radioactive operations. Glass pouring has been impacted on two occasions. The engineering process utilized to troubleshoot this issue is discussed as well as the technical evaluation of the data collected during "wicking" events. Enhancements to provide more measurement rangeability, faster control loop scan times and improved algorithms and control parameters have been implemented.
PROCESS/PRODUCT OVERVIEW
The radioactive waste in the Savannah River Site (SRS) Tanks Farms has been separated into a water soluble salt solution and saltcake, and an insoluble sludge of metal hydroxides and oxides. The salt solution and saltcake are decontaminated for disposal as low-level radioactive waste by the addition of sodium tetraphenylborate to precipitate the soluble salts of non-radioactive potassium and cesium and the addition of sodium titanate to adsorb residual strontium and plutonium. The resulting slurry is filtered and the decontaminated filtrate is blended with cement, slag and flyash for disposal at SRS as a low-level radioactive waste. A sufficient quantity of concentrated solids is expected to be available for transfer to the DWPF for immobilization in early 1998. The sludge portion of the waste is washed to remove soluble salts. If necessary, insoluble aluminum is removed through high temperature caustic dissolution. Thus the radioactive waste from the SRS Tank Farms is transferred in two forms: precipitate slurry and Sludge Slurry. Sludge Slurry transfers began in March 1996. The waste is then processed and blended in the DWPF before it is vitrified, poured into canisters, sealed and placed in the Glass Waste Storage Building (GWSB) for interim storage.
The precipitate is processed in the DWPF Salt Processing Cell (SPC) to remove most of the organic material. The tetraphenylborate compounds comprising the precipitate react in the presence of formic acid and copper(II) catalyst. The products of this reaction are aromatic organic compounds (benzene, phenol, and minor amounts of higher boiling aromatics) and an aqueous phase known as Precipitate Hydrolysis Aqueous (PHA). The PHA contains the cesium, soluble formate salts, boric acid and excess formic acid. Since the radioactive precipitate is not yet available for immobilization, simulated PHA (consisting of formic acid, water and soluble copper nitrate) has been substituted.
The sludge is transferred directly into the Sludge Receipt and Adjustment Tank (SRAT) and then neutralized with nitric acid. The simulated PHA is then added to the sludge (at boiling). After the PHA and sludge are blended and processed in the SRAT, this SRAT product is transferred to the Slurry Mix Evaporator (SME) where a borosilicate glass frit is added and the slurry is concentrated to produce melter feed.
The amount of sludge and PHA to be blended in the SRAT and the amount of SRAT product and frit to be blended in the SME is determined by the desired glass composition. This region of desired composition is determined by a series of glass property models and statistical algorithms. Any point within the acceptable region can be selected the target for a particular batch.
The SME is the hold point in the process. The analysis of samples from the SME are used by the DWPF engineers to determine the acceptability of the batch versus the WAPS. The WAPS are divided into five sections: wasteform (borosilicate glass), canister, canistered waste form, quality assurance, and documentation. The most important of the glass specifications is the product consistency specification which states that the DWPF must control its process so that the glass produced is more durable than the DWPF Environmental Assessment Glass 6 as measured by the Product Consistency Test (PCT) . The PCT is a crushed glass durability test in which the results are expressed as the amount of boron, lithium, and sodium. measured in the leachate. The key glass property model uses the SME composition and a thermodynamic hydration approach to predict the leach rates for boron, lithium, and sodium, Acceptance is based on this prediction. No material is allowed to be transferred from the SME to the MFT until it has been determined to be acceptable. A glass pour stream sample is taken occasionally during filling of a canister to confirm that the glass durability (as determined by the PCT4) is acceptable (see below).
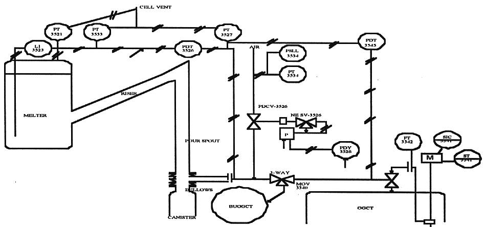
Once the melter feed material in the SME is determined to be acceptable, it is transferred to the Melter Feed Tank (MFT) and then fed to the joule heated melter. The DWPF melter has two pairs of diametrically opposed electrodes. The feed slurry is introduced from the top of the melter and forms a crust, or cold cap, on the surface of the melt pool as the water is evaporated and removed via the off-gas system. The cold cap melts from the bottom and forms a borosilicate glass matrix. The nominal glass pool temperature is 1130°C. The mixing behavior of the glass is that of a continuous stirred tank reactor. (3) The glass is removed from an opening near the bottom through a riser and pour spout. A vacuum is drawn on the pour spout to pour the glass (see below).
After a canister is filled, a temporary seal is installed to prevent free liquid from entering the canister during the decontamination process. Decontamination of the canister surface consists of blasting an air injected frit slurry against the canister. The frit slurry from decontamination is used in the next SME batch as part of the required frit addition. The canister is then welded closed and transferred to an interim storage building via the Shielded Canister Transporter (SCT). Initial radioactive experiences with these processes are described in Ref. 5.
PRIOR OPERATIONS
Initial DWPF operation is broken down into three sections, Chemical Runs, Waste Qualification Runs and Proficiency Runs. Chemical runs produced three feed preparation cycles resulting in sixteen canisters being filled with glass. The feed for this campaign was "Blend" which represented a composite of the SRS Tank Farm waste. This testing was conducted to ensure the facility was ready to begin the WQR.
WQR produced thirteen more feed batches and fifty-five more canisters using feed types representing the expected extremes of the compositional envelope. The extensive characterization of the glass and canistered waste form demonstrated that the DWPF can comply with the WAPS. (2, 3)
TRANSITION TO RADIOACTIVE OPERATIONS
During Proficiency Runs the DWPF processed two additional feed preparations cycles resulting in nine canisters. These runs were conducted to ensure the operating staff stayed in top readiness while the Operational Readiness Review was conducted and while awaiting the completion of the WQR test results reports.
Due to SRS Tank Farm processing and blending strategies the DWPF began radioactive operations with a sludge only (no PHA) process. The Proficiency Runs were also conducted in this manner. A simulated PHA is prepared by mixing formic acid with water and soluble copper.A frit composition higher in alkali, to compensate for the missing PHA alkali, is mixed then with the sludge. This batch of material has been defined as "Macrobatch 1." DWPF will not go into coupled operations until radioactive precipitate feed is ready from the In-Tank Precipitation Facility (ITP) - coupled operations will constitute a new macrobatch.
RADIOACTIVE OPERATIONS
The first batch of sludge for the DWPF has been washed five times to remove the soluble salts. Inhibited water has been added to the tank and mixing accomplished using four long shafted slurry pumps. The wash water (containing the soluble salts) was decanted off (via pumping) five times and fresh water re-introduced.
Radioactive operations began in March 1996 with the introduction of 800 gallons of this sludge into the Low Point Pump Pit Sludge Tank which contained about 3500 gallons of simulated sludge (compositionally similar to Batch 1). This material was subsequently transferred to the SRAT for nitric acid addition and then the SME for frit addition and acceptance. Table I contains the SME composition (SME Batch 19).
Approximately four batches were required to flush the remaining process vessels' heels of simulated materials through the system. This is best illustrated by reviewing the uranium data in Table I. The simulated material did not contain uranium, while the SME product was expected to contain about 1.1 wt% uranium. Batches 24 to 29 demonstrate the consistency of the incoming sludge composition and the DWPF's ability to consistently hit a target composition.
Through November 15, 1996 eleven feed preparation cycles (batches 19 to 29) have been processed. The SME composition and predicted glass durability and other properties are provided in Table I for these batches. Two of the batches (SME 24 and SME 28) required remediation to correct an unacceptable glass property, homogeneity. Homogeneity is a processing constraint which was added to the Glass Product Control Program as a result of the WQR data reviews. During this review it was determined that the glass could become phase separated, resulting in a leach rate approximately twice that predicted by the composition model. While the glass product is generally 8 to 16 times less leachable than the Environmental Assessment Glass sited in the WAPS it was decided to add a criteria to ensure the glass remains homogeneous. The homogeneity constraint, which essentially ensures sufficient sludge is present in the feed, was derived quickly and based almost exclusively on existing data. There was no testing completed that was designed for the purpose of deriving such a constraint. Thus, the resulting homogeneity constraint is considered very conservative.
The first need for remediation was caused by a partially stuck open frit valve which resulted in about 1,800 kg of excess frit being added into the SME. The batch was remediated by the addition of about 3000 liters of sludge. Resampling results (Table I) indicated the batch was acceptable. The second remediation root cause is unknown, but sample results indicated that the batch was again low in sludge (high in frit) and the batch was remediated with the addition of sludge.
Table I SME Product Analysis

None of the other constraints (liquidus, viscosity, or durability) were violated during these two batches, either before or after remediation. This may indicate the conservativeness of the homogeneity constraint and additional work has started to refine this constraint.
These eleven batches have resulted in the production of 78 canisters. The number of canisters poured in each process batch as well as the durability model projected PCT results for each process batch are given in Table II. Additionally, the published EA glass release results are given for comparison purposes. As shown in Table II, the projected PCT results for all 11 SME batches were far below the leachate values for the EA glass. Based on these results, the glass producedfrom Tank 51 sludge and Frit 200 is significantly more durable than EA glass and is therefore acceptable (i.e., WAPS requirement 1.3 was satisfied).
Confirmatory glass samples were taken periodically from the glass pour stream during the first 11 process batches. Every fifth canister up to the 30th canister had a sample taken from the pour stream in addition to the 50th canister and the 61st canister. Currently, only two samples have been transported and analyzed at the Savannah River Technology Center (SRTC): the first canister (S00424) and the tenth canister (S00431). The durability of the two glass samples was measured at SRTC using the PCT. Samples of the ground glass were subjected to the PCT along with the appropriate blanks and standards glass as prescribed by the procedure. The PCT releases for B, Li and Na were measured for canisters S00424 and S00431 and are given in Table III along with the standard deviation obtained in the triplicate tests 8,9. Based on the results of the PCT, canister samples from S00424 and S00431 meet the waste acceptance specification for glass durability.
The PCT results of the glass samples compare closely with the PCT results predicted by the durability model. This good agreement demonstrates that an acceptable product has been produced.
Table II Canisters Poured and Projected-PCT Results for DWPF
Process Batches 19-29

Table III PCT Glass Durability for S00424 and S00431 Pour Stream
Samples

MELTER POURING
As stated above, glass pour problems have impacted overall facility production performance on two occasions. Glass pouring is accomplished by pulling a vacuum (relative to the melter vapor space) on the canister and pour spout (see Fig. 1). The glass level increases in the riser and overflows into the pour spout. The glass then travels vertically down the side wall of the pour spout about 38cm where the wall of the pour spout is cut back to form a sharp "knife edge" and the glass disengages. The glass then freefalls a distance of about 60cm through the canister bellows and into the neck of the canister, and up to 300cm more to the bottom of the canister. Any glass which comes into contact with the unheated bellows has a tendency to adhere to the stainless steel surfaces and will lead to build-up sufficient to completely block the flow of the glass. While equipment has been designed and built to remove this build-up, this event is undesirable. Glass contact with the bellows or lower section of the pour spout is known as "wicking".
Attached are two charts of process data captured during unsuccessful and successful Melter Glass Pour attempts to illustrate the issue. The charts represent and define the different events and evolution's that are transpiring during the respective pour attempts. Two key process values that being Melter Vapor Space Pressure (PIC3521) and Melter Pour Spout Differential Pressure (PDIC3526) are presented in the charts from a real-time response perspective.
This chart signifies an aborted pour attempt because sever glass stream wavering and/or wicking was observed during the pouring of glass. The chart displays the large differential pressure transients experienced during the glass stream wicking along with the control loop cycling being experienced by the Melter Vapor Space Pressure.

Fig. 1. Melter unit operation.

Chart 1 Overall Pour Pressure Profile
This chart signifies a successful pour attempt in which no glass stream wavering and/or wicking was observed during the pouring of glass. The differential pour spout pressure was stepped down to its normal operating value (-6 INWC) and a steady state pour was observed. None of the pressure perturbations, transients, and/or cycling experienced during the aborted pour was observed. This specific pour continued until Canister S00317 was filled.

Chart 2 Overall Pour Pressure
Profile
System Architecture Regulatory Control
Melter pouring is primarily controlled through pressure controllers PIC3521 (Melter Vapor Space Pressure Controller) and PDIC3526 (Melter Pour Spout to Vapor Space DP Controller). The Spout Jet pump is a standard eductor unit operation and is the device used to generate the vacuum on the pour spout section of the Melter. The Spout Jet Pump, HIS3341 has a speed controller tied to it labeled SIC3341 and runs at either low speed or high speed in which high speed is used during pouring.
Control Configuration
The Distributed Control System which provides regulatory control and process variable indication for the DWPF is GSE's Process Solutions Inc. D/3 version 5.0 product line. All controllers use the standard idea PID algorithm. They are all Direct acting configured controllers. See Fig. 2 for the analog block diagram format for respective Melter control and indication loops.

Fig. 2 Melter control and indication
loops.
Process Control Issues
The following process control problems and anomalies were identified and addressed:
Data Collection and Analysis
A plan of action was developed to carry out a series of open and closed loop evaluations on the Melter Vapor Space (PIC3521) and Melter Pour Spout Differential Pressure (PDIC3526) control loops using a product called Protunerª produced by the TECHMATION company .
The analysis of the data defined a number of controller and loop modifications which are listed in Table IV. The major changes were to re-range the DP Transmitter (PDT3526), significantly increase the PDIC3526 controller/loop scan rate, and change the controller algorithm type.
Table IV Control Loop Modifications

The plan of action was executed in which PIC3521 and PDIC3526 were exercised in an open loop configuration over a number of operating boundaries. From the data collected, the modifications recommended in Table IV were proven, the loops were determined to be coupled via the control air service line and as a result tuning parameters were calculated to de-couple PIC3521 and PDIC3526 and were proven, and the performance of the physical items (valves, transmitters, etc.) that make up the control loop were evaluated against vendor baseline performance data.
CONCLUSION
In summary, the DWPF has began the task of vitrifying radioactive waste into a borosilicate glass. Through November 15, 1996, DWPF has produced 78 canistered waste forms which meet the USDOE requirements for long term disposal in a geologic repository.
Problem areas were identified and corrected in the melter pouring control system . Uncorrected these items would severely impede the controllers ability to properly control the pressure profiles within the Melter and Pour Spout contributing to the pour stream wavering and wicking events and overall inability to pour glass. Work continues to better understand the wicking events and longterm corrective actions are being developed.
ACKNOWLEDGEMENT
This paper is a tribute to the many individuals who worked to make the radioactive operation of the DWPF a reality.
This paper was prepared in connection with work done under Contract no. DE-AC09-89SR18035 with U. S. Department of Energy.
REFERENCES