Robert Rassmusen and Andrew Kee
Duke Engineering and
Services Hanford, Inc.
David Dawson and Glenn Guerra
Transnuclear, Inc.
ABSTRACT
This paper describes the design of the cask/transportation system and the influence of the existing facilities in the development of that design. The designs of the cask, the cask loading system, the cask handling system, and the trailer for transporting the cask will be discussed. Details of radiological evaluations during operation will be presented as will a description of the operations sequence. The development of the design criteria, much of which was dictated by the constraints imposed by the unique characteristics of the existing 50 year old facility, the operating constraints imposed by the large number of high priority shipments and the spent fuel pool environment, and the complex interface requirements with other equipment and facility designs will be highlighted. The bases for the conclusion that the design satisfies the site safety requirements will be discussed.
The design of the system was largely dictated by the existing facility constraints and limitations imposed by the shear number of shipments required over a relatively short two year period. As the entire DOE Waste Complex moves away from wet storage of spent fuel, this situation will be encountered at many DOE facilities and the experience with this system may be useful information for others.
BACKGROUND
As part of the DOE's program to remove 2300 tons of spent N Reactor fuel assemblies currently stored in the two Basins (spent fuel pools) located at Hanford's K-Reactor site, Westinghouse Hanford Company contracted with Transnuclear, Inc. of Hawthorne, New York for the design and fabrication of the cask/transportation system into which multi-element spent fuel containers will be loaded for transport of the spent fuel to a dry storage vault facility called the Canister Storage Building (CSB). Though the spent fuel movements will be confined to the Hanford Reservation and therefore not subject to NRC transportation regulations, the cask/transportation system is designed to meet the "intent" of 10CFR71 regulations. The truck shipments will occur specifically between the K-Reactor Basins and the CSB, a distance of about 10 miles. Each shipment will consist of one cask and fuel canister. Portions of the transportation system will also be used to support both the actual loading of spent fuel into the 400 multi-element containers and an initial drying process performed under cold vacuum conditions prior to transport.
The spent nuclear fuel is currently stored underwater in both sealed and open storage canisters at the two K-Basins. As part of the repackaging effort, the fuel elements will be removed from the current canisters and cleaned of loose corrosion and sludge. The fuel elements will then be placed in special baskets that will allow for an optimum loading configuration inside the larger storage containers. These storage containers, called multi canister overpacks or MCOs, will provide a redundant containment barrier during transportation and will serve as the primary containment barrier during storage at the CSB. The empty MCOs are pre-staged inside a transport cask prior to fuel loading operations at the basins. Following installation of a mechanically sealed shield plug, the loaded casks will be removed from the K-Basin load out areas, placed on their trailers, and taken to the cold vacuum drying station. Here the cask and MCO will be drained, dried, and prepared for transport to the CSB. Due to the vertical cask orientation requirement for drying operations and the absence of crane service at the cold vacuum drying facility, the cask/trailer is designed to transport the cask in the vertical orientation. The System layout is shown on Fig. 1.

Fig. 1. TN-WHC cask
and conveyance system.
Removal of all spent fuel from the K-Basins has been established as a very high priority activity of the Hanford site cleanup effort by DOE and other State and Federal agencies. Current plans are to initiate removal of the spent fuel from the two basins by May of 1998, and to complete the transfers to the CSB over a two year period. Loading, drying, and transport of the 400 MCOs will require five cask/trailer units and some 80 shipments per unit over this two year period.
System Design Basis
The total shipment quantities discussed above dictate a ramp-up to a rate of about four shipments per week or a cycle time of about one per day for all operations performed in the basins. A combination of this short cycle time and extremely high contamination levels in the basins created a challenge to design special operations equipment which will eliminate the need for decontamination of the outer cask surfaces by isolating the cask from the contaminated pool water. The operations equipment relies on a rigid immersion pail system into which the cask is placed prior to submersion. An inflatable seal at the top of the pail prevents basin water leakage into the pail/cask annulus. Short cask turnaround times were also driven by the general background radiation in the basins as well as the expected dose rate from the casks during loading and following removal from the pools.
Three major factors that influenced the design of the cask as well as the operations equipment are the limited lifting capacity of the cranes that serve each of the two basins (30 tons); the requirement to limit operating staff exposures to ALARA (the project performance specification established a limit of 100 mrem/hour at the surface and 10 mrem/hr 2 meters from the surface); and the requirement to maintain the working level of the immersion pail system within 12 inches of the floor level.
The major safety requirement for the cask design was the need to maintain "confinement" within the cask of the MCO under all conditions. This requirement drove the structural design of the cask.
In order to comply with these requirements, both the cask/trailer and the operations equipment are of unique designs. In addition to the primary function of isolating the cask from the pool water, the equipment must provide:
Cask Design
The TN-WHC cask design consists of a cylindrical body fabricated from stainless steel forging(s). Lifting trunnions are an integral component of the bolt-on stainless steel closure lid. This design was driven by the existing facility cask crane hook configuration and dimensional limitations with the immersion pail system. The cask incorporates features for ease of loading, decontamination and routine handling. The stainless steel forging was selected in order to facilitate and expedite cask fabrication, to minimize cask maintenance, and maximize in-service time.
The overall dimensions of the cask are 190.25 inches long and 39.81 inches in diameter. The cask cavity has a length of 160.50 inches and a cavity ID of 25.19 inches. The general arrangement of the cask is depicted in Fig. 2. The cask is designed to allow all operations (i.e. lifting, loading, closure, draining, vacuum drying, transport, and MCO removal at CSB) to be performed in a vertical orientation. The closure lid end is referred to as the top with the cask in the vertical orientation.
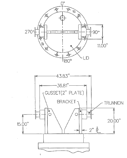
The cask lifting system is the primary crane interface for all cask handling operations. The layout of the assembly is shown on Fig. 3. The lift assembly is used for lifting the cask from the trailer, placing the cask into the Operations Equipment prior to immersion into the pool, lifting the cask from the Operations Equipment, and placement on the trailer in the vertical position. The lifting system is also used to handle the cask lid and to lift the cask from the trailer into the MCO unloading position at the CSB.
The structure of the cask is a right circular cylinder with a bottom and a closure lid. The basic components of the cask are the cask body, closure lid and the lid bolts. The cask body consists of the cylindrical shell and the shop-welded bottom plate. The closure lid is attached to the cask body with twelve 1.5 inch diameter bolts. Two lifting trunnions are attached to the integrated lifting system which is welded to the cask lid. Two penetrations into the containment are provided to support cask operations. One is located at the top end of the cask body and the other is located in the cask bottom. The maximum gross weight of the loaded cask is 57,524 pounds including a payload of 18,320 pounds. During transport, the cask is supported in the vertical orientation on the trailer by an upper collar and a lower cup shaped retainer.

Fig. 2 General
Arrangement of the TN-WHC Cask Body

Fig. 3 Integral Cask
Lifting System
Conveyance System
The cask conveyance system is a semi-trailer which can be attached to a standard tractor. The trailer provides the necessary supports and attachment points for securing the cask in the vertical orientation during drying operations and transport. It is designed to minimize the flex due do changes in weight between a loaded and unloaded cask/MCO configuration.
The conveyance is designed to transport the cask in the vertical position for operational purposes as mentioned above. The cask rests in a recessed cup set into the trailer bed. The cask is restrained in the vertical position by a tie down system that essentially clamps the cask body and restrains it both horizontally and vertically during transport and also provides seismic restraint at the Cold Vacuum Drying Facility during a seismic event. Layout of the conveyance system cask tie down and work platform arrangement is shown in Fig. 4.

Fig. 4 Cask Conveyance System
Operations Equipment
The K-Basins loadout pit Operations Equipment consists of the cask immersion pail, a support structure for the immersion pail, a guide rail system that controls vertical cask/pail positioning in the loadout pits, crane interfaces for operation of the immersion pail system, and a work platform that provides access to the cask and equipment. This equipment will be installed in the cask loadout pit of each basin.
The immersion pail is a thin walled reinforced structure housing a buoyancy foam 176 inches long with four base beams and four vertical support components to provide the safety-related load path to the Loadout Pit floor. The buoyancy foam improves working level control of the pail when in the raised position and reduces the maximum load to be lifted by the facility cranes. The immersion pail sealing lid encloses the cask in a clean demineralized water cavity. The entire immersion pail/cask/MCO assembly is lowered to the K-Basin loadout pit floor for loading of the fuel baskets into the MCO. Contamination of the cask and MCO outer surfaces is precluded by the sealed immersion pail and a positive 5 psig pressure maintained within the immersion pail.
The immersion pail is supported by a steel support structure which rests on the floor of the loadout pit. Four actuated square lock pins are used to support the immersion pail in the full up position during initial placement of the empty cask/MCO into the immersion pail and during installation/removal of the pail sealing and cask closure lids. The facility crane is used to lower and raise the immersion pail to and from the loadout pit floor. Guides are mounted to the lower end of each support rail to eliminate binding during immersion pail movement. Two work platforms are suspended from opposite sides of the loadout pit shield wall. The work surface is slotted to permit the MCO loading equipment to pass from the pool to the loadout pit during the loading of canisters into the MCO. Therefore movement of the work platform to support different operational activities will not be required. The immersion pail support structure and work platform are passive structures that will remain in the loadout pits throughout the fuel removal campaign. Compressed air and demineralized water supply are required to support the MCO loading operation. Figure 5 presents the K-Basin loadout pit Operations Equipment
The immersion pail sealing lid is handled by the facility crane during installation and removal for each loading cycle. Four lifting lugs are provided for moving the immersion pail lid to and from the immersion pail using slings. The pail lid is lowered in place, deionized water flow is established, and seals are pressurized. Seal integrity verification occurs at this point in the operation.
The pail lid is fabricated of stainless steel to mitigate concerns about corrosion and abrasion. The lid is held in place through seal pressure, dead weight and four bolts to the main pail structure. Seal pressure of 25 psig activates the silicone seals which have been rated to withstand radiation environments of 150 Rem/hr. The lid design minimizes seal crevasses and pool water entrapment, permits flushing of the seal surface prior to breaking the seal and permits clean immersion pail water to flow from the seal boundary when seal pressure is removed. Each of these features supports ease of decontamination during the operation sequence.

Fig. 5 Loadout Pit Operations
Equipment
Radiological Considerations
The most significant shielding design features of the TN-WHC Cask are the thick-walled forged stainless steel cask body and lid. The cask body has a minimum wall thickness of 7.25 inches and a bottom thickness of 6.13 inches. A minimum cask lid thickness of 3.0 inches was used in the shielding analysis. Additional shielding is provided by the MCO. The cask design does not include separate neutron shielding because of the relatively low neutron source term in the spent fuel. Using industry standard codes, conservative modeling assumptions, and design basis fuel parameters, the maximum surface dose rates for a dry cask configuration are expected to be less than 100 mrem/hr at the sides and bottom and less than 10 mrem/hr at the top. These dose rates respectively drop to less than 10 mrem/hr and 1 mrem/hr at 2 meters from the cask surfaces.
Total exposure during a full operations cycle is expected to be a maximum of about 135 man-mrem and is due primarily to background in the K-Basin areas. The highest exposure from the cask system itself is expected during placement of the loaded cask on the trailer (about 2 man-mrem) and performing the final radiation survey (1.4 man-rem).
CONCLUSIONS
The design of the K-Basins Cask/Transportation System has been completed and satisfies the Hanford Site safety requirements. The design was dictated largely by the existing facility constraints and requirements imposed due to the large number of shipments required.